Página Principal Contenido del Curso Guías de Estudio Problemario LA CLAVAZÓN TAREAS!!! Enlaces a otras páginas

Problemas de Realimentación:

Ir a pag.:  Indice  [1]  [2]   [3]

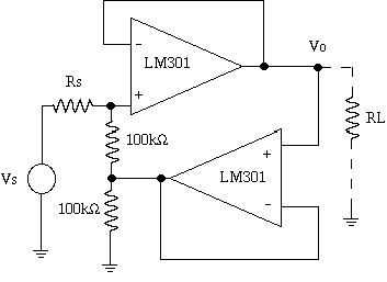
3- ¿Cuál es la diferencia entre este circuito y un seguidor de voltaje estándar?. Características esenciales del 301: Zin=1.5 MW; Zout=50W; Av=50000


-/html>